blank
blank
产品系列
紧定衬套
 
用户名: 
密码: 
blank
blank
blank
Home >现在位置> 产品尺寸对照表
 
产品展示
 

N 系列
Series N

螺母记号
Deslgnalions
lock nut
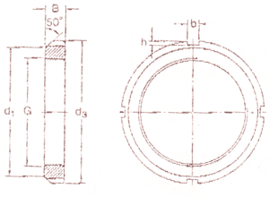
主要尺寸 Dimenslong
Mass
重量
相关零件
G
No.of
threads
parin
d1
d3
B
b
h
-
in
-
in
kg

N 00

N 01

N 02

N 03

N 04

N 05

N 06

N 07

N 08

N 09

N 10

N 11

N 12

N 13

N 16

AN 15

AN 16

AN 17

AN 18

AN 19

AN 20

AN 21

 

0.931

0.468

0.588

0.654

0.781

0.969

1.173

1.376

1.563

1.767

1.967

2.157

2.360

2.58

2.751

2.933

3.137

3.340

3.527

3.730

3.910

4.122

 

32

32

32

32

32

32

18

18

18

18

18

18

18

18

18

12

12

12

12

12

12

12

 

0.525

0.719

0.813

0.938

1.125

1.281

1.500

1.813

2.000

2.261

2.438

2.586

2.644

3.063

3.313

3.563

3.844

4.031

4.281

4.553

4.813

5.000

 

0.755

0.880

1.005

1.130

1.380

1.568

1.755

2.088

2.255

2.536

2.693

2.974

3.161

3.360

3.630

3.880

4.161

4.411

4.661

4.943

5.193

5.443

 

0.229

0.229

0.323

0.354

0.395

0.416

0.416

0.448

0.448

0.488

0.510

0.510

0.541

0.573

0.573

0.604

0.604

0.605

0.698

0.729

0.760

0.760

 

0.120

0.120

0.120

0.120

0.170

0.170

0.178

0.178

0.240

0.240

0.240

0.240

0.240

0.240

0.240

0.360

0.350

0.360

0.360

0.360

0.360

0.405

 

0.073

0.073

0.104

0.104

0.104

0.104

0.104

0.104

0.104

0.104

0.104

0.135

0.135

0.135

0.135

0.135

0.135

0.166

0.166

0.166

0.166

0.166

 



0.007

0.015

0.017

0.025

0.040

0.050

0.058

0.089

0.096

0.12

0.15

0.17

0.20

0.24

0.27

0.32

0.40

0.45

0.55

0.70

0.60

0.85

 

 

W 00   -

W 01 HN1

W 02 HN2

W 03 HN3

W 04 HN4

W 05 HN5

W 06 HN6

W 07 HN7

W 08 HN8

W 09 HN9

W 10 HN10

W 11 HN11

W 12 HN12

W 13 HN13

W 16 HN16

W 15 HN15

W 16 HN16

W 17 HN17

W 18 HN18

W 19 HN19

W 20 HN20

W 21 HN21

 

螺母记号
Deslgnalions
lock nut
主要尺寸 Dimenslong
Mass
重量
相关零件
G
No.of
threads
parin
d1
d3
B
b
h
-
in
-
in
kg

AN 22

AN 24

AN 26

AN 28

AN 30

AN 32

AN 34

AN 36

AN 38

AN 40

AN 44

4.325

4.716

5.105

5.497

5.888

6.284

6.558

7.066

7.472

7.547

8.628

12

12

12

12

12

8

8

8

8

8

8

5.281

5.688

6.188

6.531

7.053

7.438

8.031

8.375

8.781

9.158

9.843

5.724

6.130

6.755

7.099

7.693

8.068

8.661

9.068

9.474

9.848

11.005

0.791

0.823

0.885

0.940

0.979

1.041

1.073

1.104

1.135

1.198

1.250

0.485

0.485

0.610

0.610

0.610

0.610

0.610

0.735

0.735

0.735

0.980

0.198

0.195

0.260

0.260

0.291

0.291

0.291

0.323

0.323

0.323

0.510

1.00

1.15

1.50

1.65

2.10

2.35

2.80

3.15

3.40

3.70

4.70

W22 HN 22

W24 HN 24,718909

W26 HN 26,718909

W28 HN 28,718909

W30 HN 30,718909

W32 HN 32,718910

W34 HN 34,718910

W36 HN 36,718910

W38 HN 38,718910

W40 HN 40,718910

W44 718911

螺母记号
Deslgnalions
lock nut
主要尺寸 Dimenslong
Axlal
load
carrying
capacity
slalit
Mass
重量
相关零件
G
No.of
threads
parin
d1
d2
d3
B
b1
b
h
-
in
-
in
 
 
KN
kg
 

N 022

N 024

N 026

N 028

N 030

N 032

N 034

N 036

N 038

N 040

N 044

N 048

N 052

N 056

N 060

N 064

N 068

N 072

N 076

N 080

N 084

4.325

4.716

5.106

5.487

5.888

6.284

6.658

7.056

7.472

7.847

8.628

9.442

10.192

11.004

11.785

12.562

13.338

16.170

16.957

15.745

18.532

12

12

12

12

12

8

8

8

8

8

8

6

5

6

6

6

5

5

5

5

5

4.901

5.313

5.703

6.109

6.588

7.094

7.484

7.875

9.266

6.750

9.531

10.625

11.406

12.219

13.219

16.031

16.813

15.500

16.625

17.438

18.188

-

-

-

-

-

-

-

-

-

-

-

10.423

11.298

12.110

13.110

13.860

16.735

15.485

16.485

17.235

18.110

5.318

5.693

6.130

6.505

7.130

7.505

7.880

5.255

8.693

9.443

10.255

11.443

12.193

13.005

16.193

15.005

15.755

16.505

17.755

18.505

19.318

0.791

0.823

0.885

0.948

0.979

1.041

1.073

1.104

1.135

1.